Verilog 카테고리 글 목록

  • [Verilog]Moore FSM으로 신호등 만들기2025. 12. 15.
    오늘은 Moore FSM(Finite State Machine)으로 신호등을 만들어 보겠습니다. 보통 신호등은 색깔별로 시간이 정해져 있지만, 오늘은 차량 통행의 유무에 따라 작동하는 신호등을 만들어 보겠습니다.
  • Intel Quartus로 Verilog Timing Analysis2025. 12. 06.
    Combinational circuit과 sequential circuit이 섞인 회로를 구성할 때는 delay를 고려하여 클럭의 frequency를 정해야 합니다. 오늘은 Intel Quartus로 timing analysis하는 방법을 알아보겠습니다.
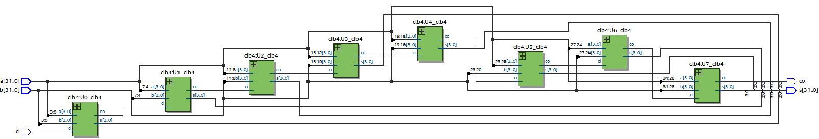
  • [Verilog]RCA, CLA Adder, Subtractor2025. 12. 02.
    오늘은 Verilog로 32-bit 덧셈기(가산기, adder)와 뺄셈기(감산기, subtractor)를 구현해 보겠습니다. 덧셈기는 Ripple Carry Adder 방식과 Carry Look-Ahead Adder 방식으로 구현해 보겠습니다.
  • [Verilog]Multiplexer(Mux)2025. 11. 01.
    디지털논리회로에서 여러 신호 중 하나를 선택할 때 Multiplexer(Mux)를 사용합니다. 오늘은 4-to-1 Mux를 structural design과 if문, case문으로 구현해 보겠습니다.
  • [Verilog]D Flip-Flop, Register2025. 10. 18.
    오늘은 Verilog로 D Flip-Flop과 Register를 만들어 보겠습니다.
  • Intel Quartus에서 Verilog testbench 사용하기2023. 08. 17.
    수성컴전자방입니다. 오늘은 Intel Quartus에서 Verilog testbench를 사용하여 simulation을 해보겠습니다. testbench는 다른 HDL module을 시험하기 위한 HDL 코드이며, 합성 불가능합니다. 오늘은 예제 코드 위주로 설명 드리겠습니다.
  • Verilog 기초적인 내용과 Gate Design2023. 04. 15.
    수성컴전자방입니다. 오늘은 Verilog로 AND, OR, NOT 등의 Gate를 만들어 보겠습니다. Verilog 프로그래밍에 대해 쓰는 첫 글이므로 기초적인 내용을 다루어 보겠습니다.
  • 1